 
				
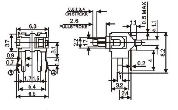
技术指标:
| 使用温度范围 Temperature | -30~+70℃ | 耐压 Withstand Voltage | AC250V(50Hz)/min | 
| 额定负荷 Rated Load | DC12V 50mA | 动作力 Actuating Force | 100~350G | 
| 接触电阻 Contact Resistance | ≤0.03Ω | 寿命 Life | 100000次 | 
| 绝缘电阻 Insulation Resistance | ≥100MΩ |  | 
颖鑫电子科技有限公司是一家开发、设计、生产销售及各种开关.插座:振动开关,弹簧开关,拨动开关,叶片开关,轻触开关,按键开关,耳机插座,DC插座。
用途:
本开关适用于,玩具,电动玩具,玩具公仔,防盗器,家用电器,手机数码,电子通讯,电子游戏机,汽车防盗,智能化系统。
优点:体积小,寿命长,环保安全,美观
包装:常规包装1000粒/包,可按照客户要求进行包装!
价格最低,质量最好!一直是我的宗旨!
公司从设计、制作、后加工、到送货上门我们实行一站式服务;与您精诚合作,共创双赢!
请记住我们的网站:http//www.switchcn.net
上一篇:照相机轻触开关TC-V030
下一篇:插件轻触开关TC-V033
